Vzk
VPC Pneumatic
| Tipo de vacío: | |
|---|---|
| : | |
| Puerto de vacío: | |
| Rango de presión nominal: | |
| Posiciones múltiples: | |
| Estado de Disponibilidad: | |
Descripción del Producto


Especificaciones del producto
| Medio de trabajo | Aire, aspiradora | |
| Presión de trabajo | 0,3 a 0,7 MPa | |
| Aspiradora | -100 a 0kPa | |
| Temperatura de trabajo | 5 a 50 ℃ | |
| Rango de humedad de trabajo | 35 a 85% HR | |
| Resistencia a las vibraciones | 50m/s² o menos | |
| Resistencia al impacto | 150 m/s² o menos | |
| Recinto | IP40 | |
| Lubricación | No | |
| Presión de prueba | Presión de suministro | 0.8MPA |
| Aspiradora | 0.2MPA | |
* Presión de prueba simplemente significa 'la presión a la que el producto no se dañará', y es la presión a la que el producto se puede utilizar normalmente.
| Medio de trabajo | Aire, aspiradora | |
| Presión de trabajo | 0,3 a 0,7 MPa | |
| Aspiradora | -100 a 0kPa | |
| Diámetro del orificio de la válvula de vacío | 4,2 mm | |
| Rango de temperatura y humedad de funcionamiento | 5 a 50 ℃/35 a 85 % HR | |
| Resistencia a las vibraciones | 50m/s² o menos | |
| Resistencia al impacto | 150 m/s² o menos | |
| Recinto | IP40 | |
| Lubricación | No | |
| Presión de prueba | Presión de suministro | 0.8MPA |
| Aspiradora | 0.2MPA | |
* Presión de prueba simplemente significa 'la presión a la que el producto no se dañará', y es la presión a la que el producto se puede utilizar normalmente.
| Tipo de acción | Actuación directa | |
| Estilo de control | Normal cerrado | |
| Tiempo de respuesta | APAGADO → ENCENDIDO | 8,5 ms |
| ENCENDIDO → APAGADO | 8,5 ms | |
* El tiempo de respuesta es el valor cuando se suministra una tensión nominal de 0,5 MPa (100%).
| Tipo de acción | Actuación directa | |
| Estilo de control | Normal cerrado | |
| Tiempo de respuesta | APAGADO → ENCENDIDO | 8,5 ms |
| ENCENDIDO → APAGADO | 8,5 ms | |
* El tiempo de respuesta es el valor cuando se suministra una tensión nominal de 0,5 MPa (100%).
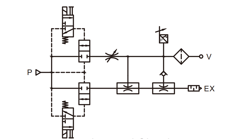
| Tipo de válvula | Válvula de suministro, válvula de liberación |
| Método de funcionamiento | Operación directa |
| Construcción de válvulas | Tipo de actuación directa |
| Voltaje nominal | CC 24 V ± 10 % |
| circuito limitante | Amortiguador de sobretensiones |
| Tiempo de respuesta | 4ms |
| Consumo de energía | 1W |
| Anulación manual | Estructura de botones |
| Instrucciones de operación | Cuando la bobina está alimentada, se enciende la luz indicadora roja. |
| Método de cableado | Rojo: DC24V, Negro: COM |
| Tipo de acción | Presión compuesta | |
| Salida del interruptor | PNP, PNP | |
| Rango de presión nominal | -100 a 100 kPa | |
| Mostrar/establecer rango de presión | -101,2 a 110 kPa | |
| Presión de prueba | No más de 2 veces la presión nominal | |
| Voltaje de la fuente de alimentación | CC12 a 24 V ± 10 % | |
| Consumo actual | 50 mA o menos | |
| Precisión de visualización | ±3%FSo menos (Temperatura ambiente 25℃) | |
| Salida del interruptor | Salida de control | Voltaje de carga: DC30V o menos |
| Corriente de carga: 100 mA o menos | ||
| Valor de histéresis | Voltaje residual: 1V o menos | |
| Repetibilidad | Unidad mínima de visualización | |
| Precisión de respuesta | ±0,2% FS | |
| Protección contra cortocircuitos | 2,5 ms, 5 ms, 100 ms, 500 ms opcional | |
| Salida analógica | Incorporado | |
| Voltaje de salida: DC1~5V±2% | ||
| Resolución: 1/200 | ||
| Linealidad: ±2%FS o menos | ||
| Impedancia de salida: 1kΩ | ||
| Mostrar | Pantalla LED de segmento 10:37 | |
* Se proporciona una tolerancia de ±3% FS para cambios en el 'voltaje cero', 'voltaje de rango' y el 'valor de configuración de salida de conmutación' en respuesta a la aplicación repetida de presión.
Dimensiones principales


PDF del catálogo